Rehabilitación de inmueble en edificio en calle San Pablo, refuerzo de estructura principal y estructura secundaria, zonas recrecidas para igualar cota de la vivienda, solado nuevo, baño y cocina, ejecución de instalaciones de saneamiento, fontanería y electricidad, diseño de interiores, ventanas y puertas.

Imágenes del final de obra.

Imágenes del transcurso de la obra

Imágenes del estado inicial de la obra

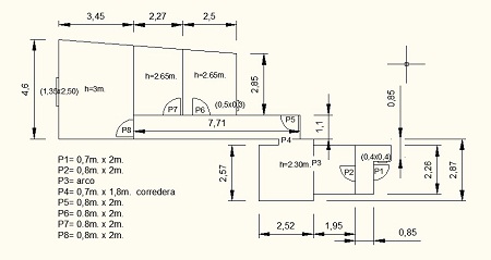
Conjunto de planos